DD马达系列
AX1000T系列
AX2000T系列
AX4000T系列
AX6000M系列
MU 型驱动器
TS、TH 型驱动器
你现在所在的位置:
网站首页
>
产品中心
>
DD马达系列
>
AX6000M系列
> AX6000M系列
AX6000M系列
产品详情
AX6000M系列电机命名规则
AX6000M系列电机参数表
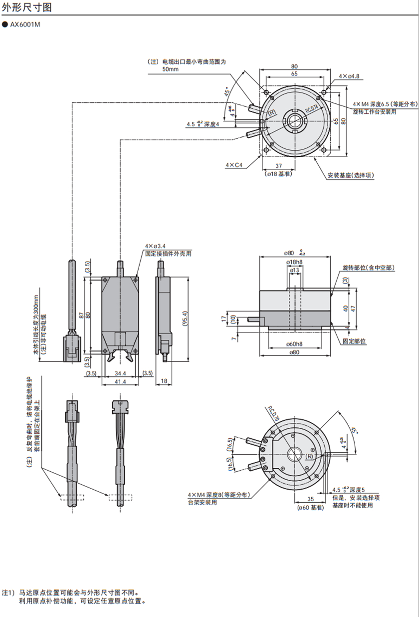
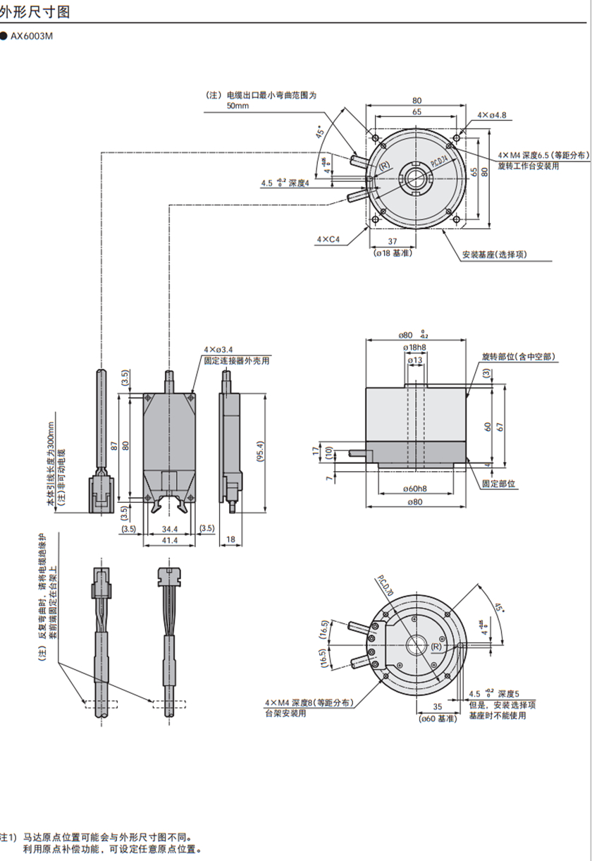
AX6000M系列电机安装尺寸图
(图1)
(图2)
相关步进电机推荐
AX4000T系列
57mm集成直流伺服一体机
400W、750W、1KW交流伺服驱动器
混合伺服命名规则
3相57mm集成混合伺服一体机
42mm直流无刷电机方形
直线步进电机
相关行业资讯
1、
这些问题是员工在步进电机操作中需要注意的
2、
振合电机推出带边长43MM安装模块的G4-37000电机
3、
步进电机常见问题及解决办法
4、
步进电机的调试方法
5、
进行步进电机清洁工作时必须要注意的问题
6、
关于步进电机特点的详细介绍
7、
直流伺服电动机接线图
8、
厂家在步进电机制作材料上如何进行选择
9、
优秀的步进电机具备怎样的优点
10、
振合步进电机常见故障处理方法
11、
深圳步进电机驱动器的好坏直接影响其工作质量
12、
我国变频器将会迎来诱人的市场前景
13、
丝杆步进电机的智能技术
14、
振合电机公司推出带近零传感器的一英寸永磁直线步进电机
15、
对步进电机进行搬运的时候比较方便
vape detector for home
best smoke alarms australia
深圳网站建设公司
惠州网站建设公司
步进电机资讯网
深圳公司注册代跑腿
深圳络远工业技术
深圳司南磁电
深圳大泽高科
力控智能科技
深圳环保评估
Rök och kolmonoxid detektoren
Rauch und Kohlenmonoxid Melder Alarm
Czujniki dymu i tlenku węgla
深圳嘉扬步进电机
深圳网站建设
深圳网站公司