DD马达系列
AX1000T系列
AX2000T系列
AX4000T系列
AX6000M系列
MU 型驱动器
TS、TH 型驱动器
你现在所在的位置:
网站首页
>
产品中心
>
DD马达系列
>
AX4000T系列
> AX4000T系列
AX4000T系列
产品详情
AX4000T系列电机命名规则
(图1)
(图2)
(图3)
AX4000T系列电机参数表
(图1)
(图2)
(图3)
AX4000T系列电机矩频特性图
(图1)
(图2)
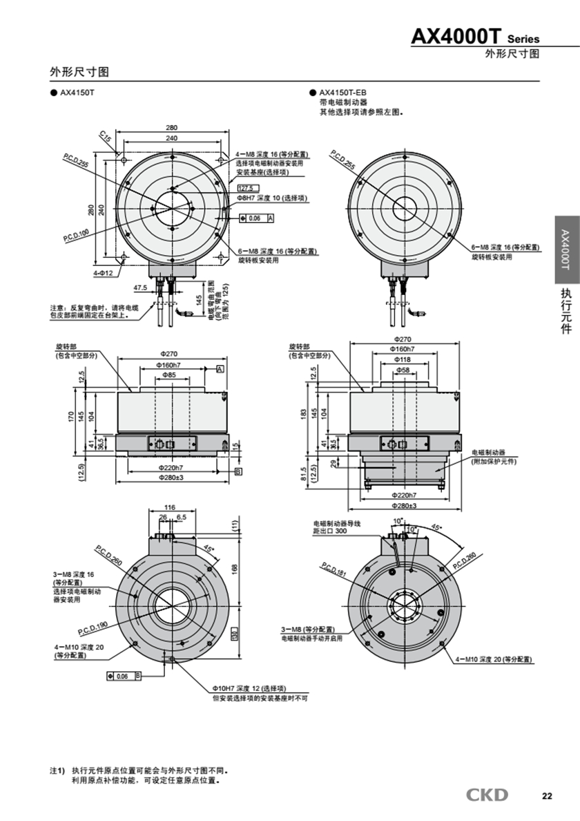
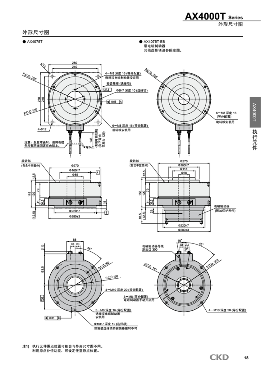
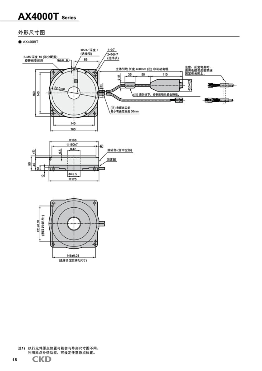
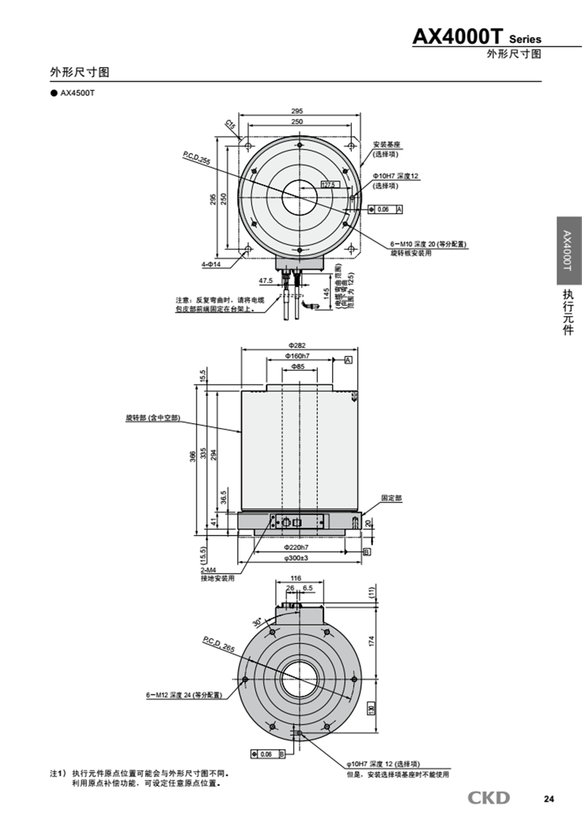
AX4000T系列电机安装尺寸图
(图1)
(图2)
(图3)
(图4)
(图5)
(图6)
(图7)
(图8)
相关步进电机推荐
42mm直线丝杆步进电机
60mm两相步进电机
28mm刹车步进电机
CKD TS、TH型驱动器
五相步进驱动器ZH5414M
57mm-2系列行星减速机
直线步进电机
相关行业资讯
1、
步进电机速度过快无法启动
2、
直线步进电机与两相步进电机的区别
3、
步进电机及驱动在应用中的参数设置
4、
步进电机全闭环控制可实现设备的高速化和小型化
5、
步进电机的选购的几种技巧
6、
振合电机滑动丝杆设计指南
7、
步进电机的发热问题及解决方案
8、
编码器的作用和弊端
9、
这些主要特性是步进电机在使用中所具有的
10、
步进电机厂家想要在市场上受到欢迎需要做好哪些
11、
用户要明确步进电机外表允许的最高温度是多少
12、
这些安全职责是员工在步进电机生产中所具备的
13、
直流无刷电机向高效率、小型化、节能方向迈进
14、
步进电机及驱动器的正确选择方法
15、
深圳步进电机:判断步进电机驱动器质量的方法,您知道吗?
vape detector for home
best smoke alarms australia
深圳网站建设公司
惠州网站建设公司
步进电机资讯网
深圳公司注册代跑腿
深圳络远工业技术
深圳司南磁电
深圳大泽高科
力控智能科技
深圳环保评估
Rök och kolmonoxid detektoren
Rauch und Kohlenmonoxid Melder Alarm
Czujniki dymu i tlenku węgla
深圳嘉扬步进电机
深圳网站建设
深圳网站公司