行星减速机系列
命名规则配无刷行星减速机配步进行星减速机配伺服行星减速机
你现在所在的位置:网站首页 > 产品中心 > 行星减速机系列 > 配步进行星减速机 > 42mm-2系列行星减速机
行星减速机系列-步进电机供应商振合机电

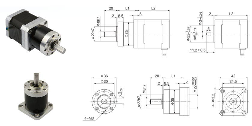
42mm-2系列行星减速机

产品名称:42mm-2行星减速机
产品类别:配无刷行星减速机
产品型号:ZH42PG10A08A、ZH42PG10A10B、ZH42PG10A14A
产品下载:42mm-2行星减速机(配步进)
产品简介:振合机电42mm系列加强传动型减速机,均采用国际标准钢材,用20CvMnT渗碳淬火和磨齿,体积小巧,重量轻,输出扭矩大。回程间隙小,钢性好,承载能力强。传动效率高,转动比范围广,精度高。噪声低,寿命长。安装方便、外形美观。保证精密传动的前提下完美运用在降低转速增大扭矩和降低负载/电机的转动惯量比的使用场合.
产品详情

特点
体积小巧,重量轻,输出扭矩大。
回程间隙小,钢性好,承载能力强。
传动效率高,转动比范围广,精度高。
噪声低,寿命长。
安装方便、外形美观。
保证精密传动的前提下完美运用在降低转速增大扭矩和降低负载/电机的转动惯量比的使用场合。
应用领域
振合机电行星减速系列产品目前已广泛应用于雕刻机、激光机、数控机床、纺织服装机械、医疗设备、测量设备、电子加工设备、包装机械设备等需要降低转速增大扭矩和降低负载/电机的转动惯量比的各种自动化设备和仪器上。
减速机数据


外形尺寸

相关步进电机推荐
直线步进电机相关行业资讯
1、这些问题是员工在步进电机操作中需要注意的
2、对步进电机的工作原理进行简要介绍
3、与异步电机相比步进电机的效率更高
4、这样做可以确保步进电机使用的安全性
5、RM型步进电机的特征与特性
6、步进电机在拆装的时候需要注意如下事项
7、如何选择步进电机驱动器,这里给你帮助
8、多细分步进电机驱动器可增加电机运行的平稳性
9、根据励磁方式的不同,步进电机的分类你知道吗?
10、在步进电机使用中其工作人员应掌握这些技巧
11、步进电机的冷却方式主要有一下几种
12、步进电机控制系统设计方案(三)系统软件规划
13、外部驱动式、贯通轴式和固定轴式直线步进电机的选用
14、高压电机维修与保养的几点注意事项
15、步进电机和驱动器的选择方法