步进电机系列
两相步进电机三相步进电机五相步进电机刹车步进电机防水步进电机
你现在所在的位置:网站首页 > 产品中心 > 步进电机系列 > 刹车步进电机 > 35mm刹车步进电机
步进电机系列-步进电机供应商振合机电

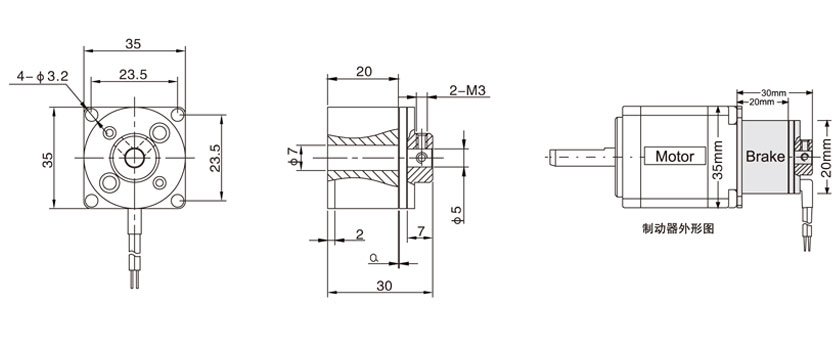
35mm刹车步进电机

产品名称:35刹车步进电机
产品类别:刹车步进电机
产品型号:ZH35HB3808S、ZH35HB5208S
产品下载:35刹车步进电机
产品简介:电磁制动,又名刹车、报闸、制动器,当电机断电时刹车系统瞬间启动,把电机轴牢牢锁死,阻止设备因断电,使电机因工作负载自然下滑或外力水平移动,以保持工作停止原位状态,通电后及时松开不影响电机正常工作。
产品详情

特点
35刹车步进电机,步进、伺服电机专用制动器:
1、失电制动,掉电保护电机及设备的安全;
2、反应时间是普通弹簧压紧电磁制动器的1/10;
3、体积小,保持扭力大,并可线性调节;
4、完全实现高速零损耗静音运行,超长寿命表现;
5、功耗小,热平衡温度低;
6、使用中无需高速气隙,任意角度实现均衡制动;
7、大温度范围内提供稳定的制动扭矩;
8、外形订制,可与电机紧密配成一体;
9、高精度定位步进电机、伺服电机,特别是Z轴运动系统的首选制动单元。
产品规格


外形尺寸


刹车矩频特性

相关步进电机推荐
直线步进电机相关行业资讯
1、关于步进电机一些专业术语及技术指标介绍
2、振合刹车步进电机的有效控制和振动大解决技巧
3、步进电机使用中对操作人员的一些规范要
4、启动步进电机之前要做好的基本检查工作
5、市面上步进电机主要有哪几种分类
6、为保证步进电机结构状态正常需要大家做好的检查工作
7、步进电机的优化使用要建立在对其技术参数有一定的掌握
8、振合机电新品介绍-微型螺杆螺母
9、直线步进电机的传动特点
10、步进电机的选用及驱动电源说明
11、合理使用步进电机主要需要用户做到三点
12、步进电机和步进电机的性能有何不同?
13、步进电机具体是如何运行的
14、步进电动机运行曲线的在线计算方法
15、步进电机在安置上需要注意的要求