直线步进电机系列
命名规则20mm直线丝杆步进电机28mm直线丝杆步进电机35mm直线丝杆步进电机42mm直线丝杆步进电机57mm直线丝杆步进电机86mm直线丝杆步进电机
你现在所在的位置:网站首页 > 产品中心 > 直线步进电机 > 20mm直线丝杆步进电机 > 20mm直线丝杠步进电机
直线步进电机-步进电机供应商振合机电

20mm直线丝杠步进电机

产品名称:20mm直线丝杆步进电机
产品类别:直线丝杆步进电机
产品型号:ZH20E3006A口X、ZH20E3406A口X、ZH20E4006A口X
产品下载:20mm直线丝杆步进电机
产品介绍:直线丝杆步进电机是以混合式步进电机作为动力源,通过独有的专利技术,将螺纹传动组件与电机转子结合在一起,将电机旋转运动转化为直线运动。
产品详情

特性
高精度,定位精度可达0.1μm
直线丝杆步进电机因传动机构简单减少了插补滞后的问题,定位精度、重复精度、绝对精度,通都会较“旋转伺服电机 & 滚珠丝杠”高,且容易实现。直线丝杆步进电机定位精度可达0.1μm,“旋转伺服电机 滚珠丝杠”最高达到2~5μm。
高速度,最高可达300m/min
从速度上和加速度的对比上,直线丝杆步进电机具有相当大的优势,直线丝杆步进电机速度可达300m/min,加速度10g;滚珠丝杠速度为120m/min,加速度为1.5g。而且直线丝杆步进电机在成功解决发热问题后速度还会进一步提高,而“旋转伺服电机 & 滚珠丝杠”在速度上却受到限制很难再提高较多。
高寿命,维护简单
直线丝杆步进电机因运动部件和固定部件间有安装间隙,无接触,不会因动子的高速往复运动而磨损,长间使用对运动定位精度无变化,适合高精度的场合。滚珠丝杠则无法在高速往复运动中保证精度,因高速摩擦,会造成丝杠螺母的磨损,影响运动的精度要求,对高精度的需求场合无法满足。
贯通轴式:螺母集成在电机内部随电机转子转动,驱动丝杆做直线运动。
外部驱动式:丝杆与电机集成随电机转子转动,驱动螺母在丝杆上做直线运动。
固定轴式:转子和轴通过螺纹连接,通过端罩的键槽或花键来限定轴的径向旋转,合成运动是不带旋转的直线运动。
应用领域
直线步进电机适用于要求精确定位、快速运动和长寿命的应用领域。典型的应用包括X-Y工作台、医疗设备、半导体加工、通信设备、调制阀、印刷设备、环保设备、自动机器人、3D打印机等
产品规格


丝杆参数及代码


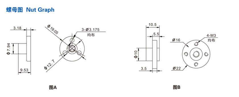
外形尺寸

相关步进电机推荐
直线步进电机相关行业资讯
1、步进电机的静态特性图解
2、57DS数字式一体化低压伺服电机
3、避免电机选型误区,根据负载正确匹配
4、为保证自身安全在步进电机使用方面要注意的两个细节
5、步进电机如何保证在使用上的稳定性
6、微型减速电机与科技的结合
7、步进电机的常见故障及原因分析
8、伺服电机报F1910故障代码的含义和解决办法
9、行星减速机发生不同心断轴现象的解决方法
10、步进电机具体是一种什么样的电机
11、从如下几个方面来认识一下步进电机的工作原理
12、103H8222-5041 山洋电机
13、步进电机的保养工作要重视
14、电磁式直线电机的直接驱动原理
15、辨别步进电机和步进电机的方法