DD马达系列
AX1000T系列
AX2000T系列
AX4000T系列
AX6000M系列
MU 型驱动器
TS、TH 型驱动器
你现在所在的位置:
网站首页
>
产品中心
>
DD马达系列
>
AX2000T系列
> AX2000T系列
AX2000T系列
产品详情
AX2000T电机命名规则
AX2000T电机矩频特性图
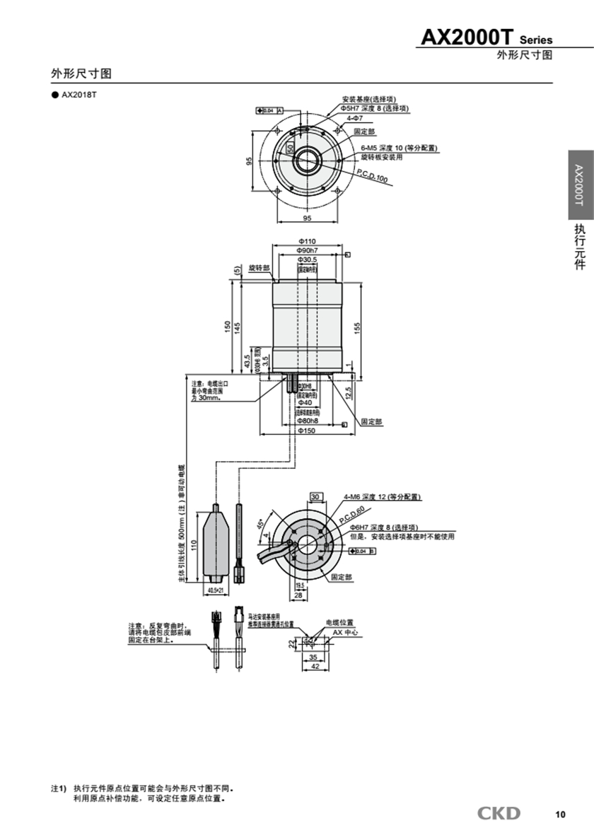
AX2000T电机尺寸图
相关步进电机推荐
60mm三相步进电机
20mm两相步进电机
42mm集成步进一体机
35mm刹车步进电机
85mm直流无刷电机
60mm五相步进电机
直线步进电机
相关行业资讯
1、
及时解决步进电机故障,保证运行效果
2、
步进电机在打字机中的应用
3、
中国最专业微电机及磁材展 MIA2012在穗盛大开幕
4、
振合机电介绍了解PLC控制的数控滑台结构
5、
西门子伺服电机经常报F31115故障怎么处理?
6、
高精度的交流伺服定剪系统的研究
7、
直流伺服系统类型
8、
16BY56-400L24空心杯直流无刷电机
9、
步进电机的操作要注意安全
10、
启动步进电机之前要做好的基本检查工作
11、
关注这些问题步进电机才能长远的发展
12、
在步进电机使用中其工作人员应掌握这些技巧
13、
为确保用电安全需要用户对步进电机做好两方面的检查
14、
工作人员在步进电机使用中要遵守这些安全规定
15、
伺服电机回零的问题
vape detector for home
best smoke alarms australia
深圳网站建设公司
惠州网站建设公司
步进电机资讯网
深圳公司注册代跑腿
深圳络远工业技术
深圳司南磁电
深圳大泽高科
力控智能科技
深圳环保评估
Rök och kolmonoxid detektoren
Rauch und Kohlenmonoxid Melder Alarm
Czujniki dymu i tlenku węgla
深圳嘉扬步进电机
深圳网站建设
深圳网站公司