DD马达系列
AX1000T系列
AX2000T系列
AX4000T系列
AX6000M系列
MU 型驱动器
TS、TH 型驱动器
你现在所在的位置:
网站首页
>
产品中心
>
DD马达系列
>
AX1000T系列
> AX1000T系列
AX1000T系列
产品详情
AX1000T系列电机命名规则
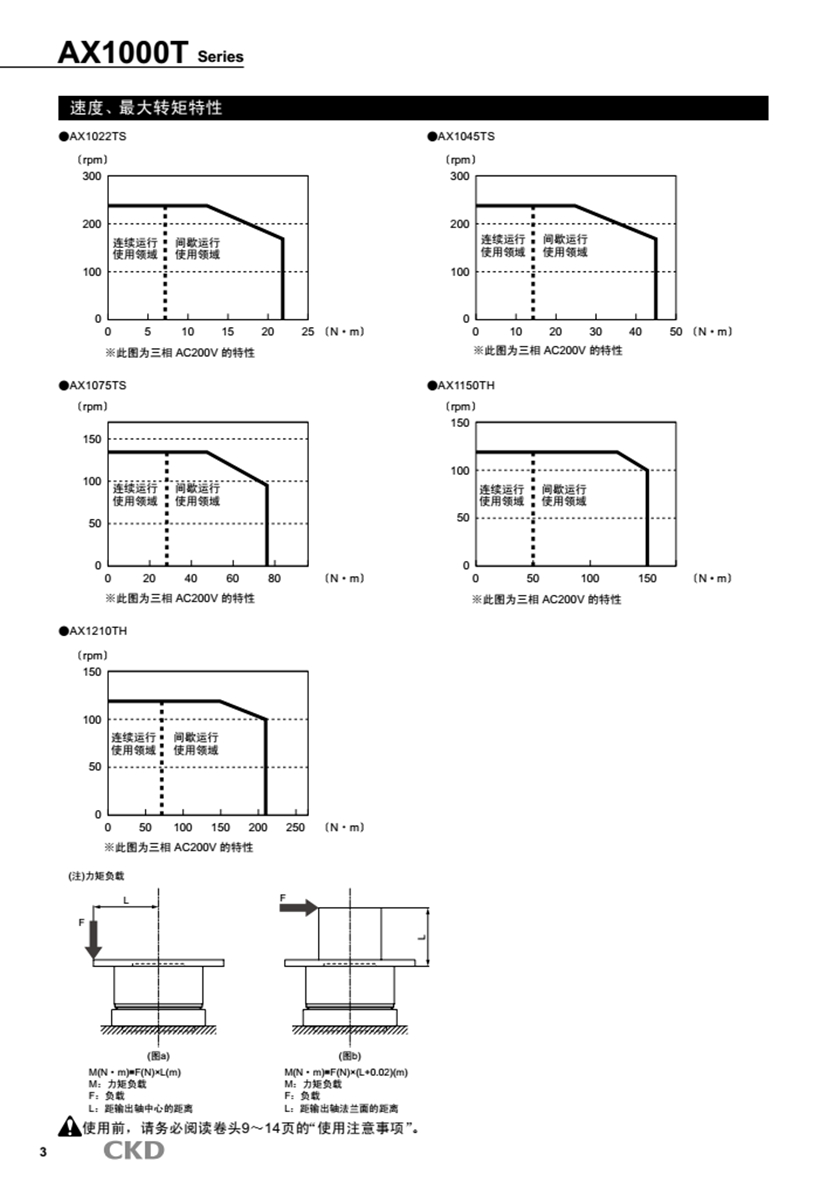
AX1000T系列电机矩频特性图
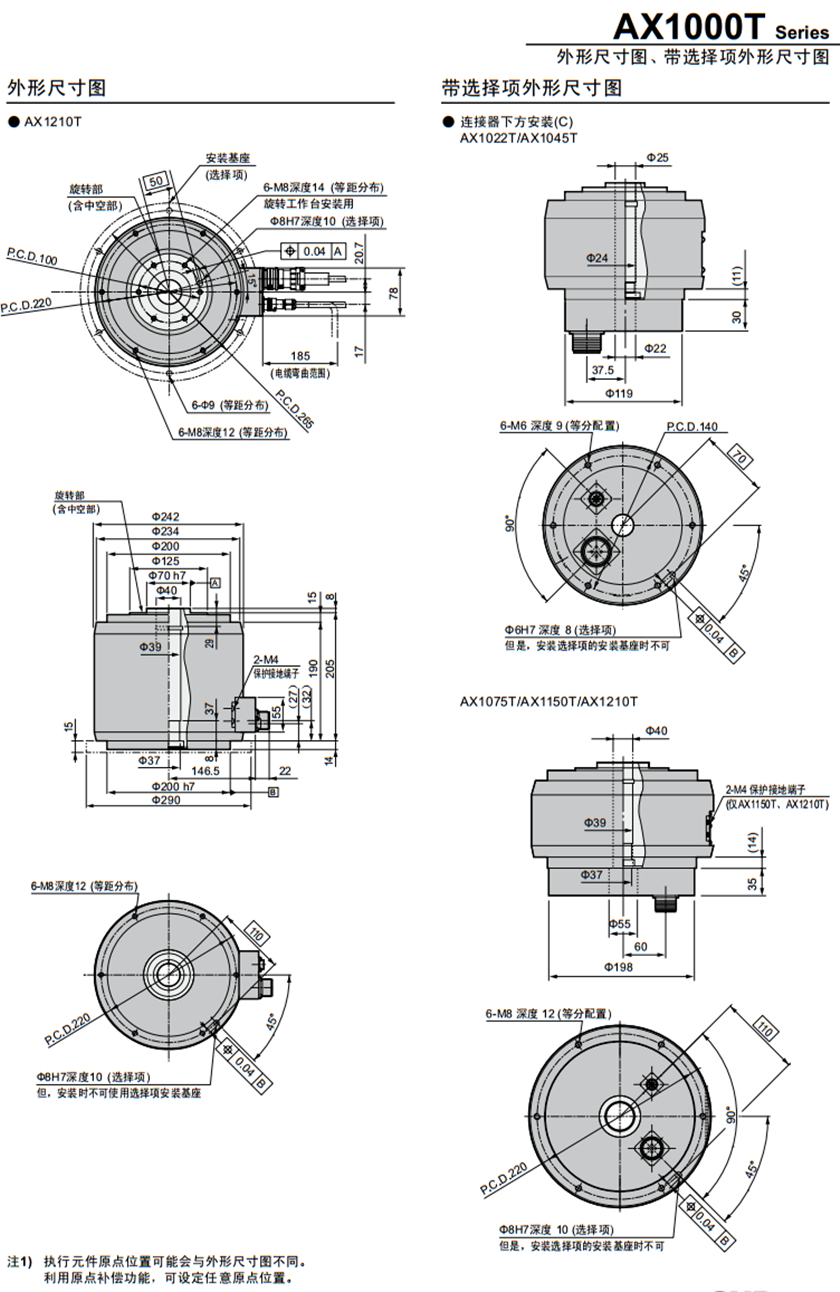
AX1000T系列电机安装尺寸图
(
图1)
(图2)
(图3)
相关步进电机推荐
86mm两相步进电机
三相高压步进驱动器ZH3722M
42mm刹车步进电机
1.5KW、2.5KW、3KW交流伺服驱动器
60mm系列防水步进电机
20mm直线丝杠步进电机
直线步进电机
相关行业资讯
1、
步进电机和伺服电机的辨别方法
2、
旋转变压器工作原理
3、
为确保步进电机应用安全需要大家留意的情况
4、
步进电机出现失步的原因
5、
为保证质量要求大家保证选择的步进电机符合三点要求
6、
振合机电为客户定制的直线滑轨系统
7、
对步进电机在市场的需求量进行需求分析
8、
伺服电机出现噪音以及运转不稳定怎么办
9、
步进电机PLC的直接控制
10、
振合电机推出带新型安装盘的G4-37000电机
11、
为保证步进电机处在正常工作状态需要大家做好这些检查
12、
如何保证步进电机的外表温度在正常的范围内
13、
如何减少这些步进电机工作时的噪声呢?
14、
选购步进电机的主要依据
15、
步进电机在三方面都应该足够优质
vape detector for home
best smoke alarms australia
深圳网站建设公司
惠州网站建设公司
步进电机资讯网
深圳公司注册代跑腿
深圳络远工业技术
深圳司南磁电
深圳大泽高科
力控智能科技
深圳环保评估
Rök och kolmonoxid detektoren
Rauch und Kohlenmonoxid Melder Alarm
Czujniki dymu i tlenku węgla
深圳嘉扬步进电机
深圳网站建设
深圳网站公司