步进电机系列
两相步进电机三相步进电机五相步进电机刹车步进电机防水步进电机
你现在所在的位置:网站首页 > 产品中心 > 步进电机系列 > 五相步进电机 > 86mm五相步进电机
步进电机系列-步进电机供应商振合机电

86mm五相步进电机

产品名称:86mm五相步进电机
产品类别:五相步进电机
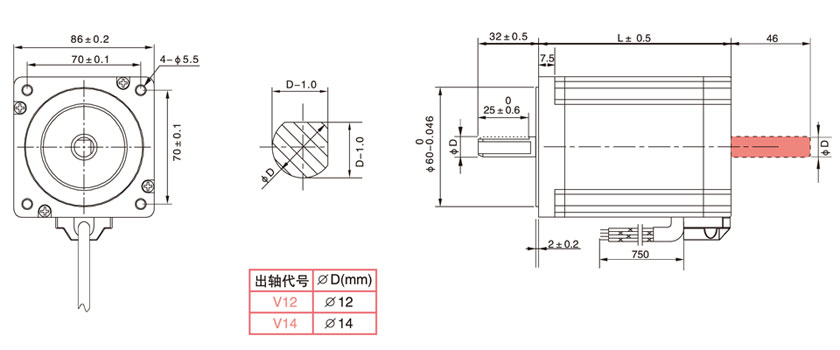
产品型号:ZH86HE65-1232A、ZH86HE65-1232A28、ZH86HE96-1232A、ZH86HE96-1232A28、ZH86HE127-1232A
产品下载:86mm五相步进电机
步距精度:5%
最高温度: 80°C Max
环境温度:-20°C~+50°C
绝缘电阻:100MΩ Min 500VDC 
耐压数值:500V AC  1minute
产品详情

特点
双极性0.72°;
机座号:86;
保持转矩:2.0~4.0N.M;
输出转矩大,高转速;电机发热小,噪音低,效率高;
高速停止平稳快速,无零速振荡运行平稳,振动噪声小;
响应速度快,适合频繁启停的场合。
技术数据


外形尺寸


接线图

A

B

C

D

E

绿


矩频特性曲线图

相关步进电机推荐
直线步进电机相关行业资讯
1、专注工控产品的微电机产业整合时机到来
2、SimotionD不通过电机模块配置外部编码器
3、电动执行机构的工作原理
4、步进电机的使用需要注意的问题有哪些
5、步进电机和一般电机有哪些不一样
6、步进电机在安置上需要注意的要求
7、直线步进电机的采用与采取知识
8、运动控制器以模拟量信号控制伺服电机的调试步骤
9、教你如何将水轮机调速器改成步进电机
10、步进电机的结构构成
11、步进电机驱动器的电源输入可以持续通电么?
12、步进电机出现运转不正常的情况时应如何检查
13、伺服电机负载转矩计算条件
14、步进电机之步进发电机并联到电网上需要达到什么条件
15、在使用中步进电机应做好这些准备工作