步进电机系列
两相步进电机三相步进电机五相步进电机刹车步进电机防水步进电机
你现在所在的位置:网站首页 > 产品中心 > 步进电机系列 > 五相步进电机 > 60mm五相步进电机
步进电机系列-步进电机供应商振合机电

60mm五相步进电机

产品名称:60mm五相步进电机
产品类别:五相步进电机
产品型号:ZH60HE49-0521A、ZH60HE49-0821A14、ZH60HE57-0821A、ZH60HE57-0821A14、ZH60HE87-0821A、ZH60HE87-0821A14
产品下载:60mm五相步进电机
步距精度:5%
最高温度: 80°C Max
环境温度:-20°C~+50°C
绝缘电阻:100MΩ Min 500VDC 
耐压数值:500V AC  1minute
产品详情

特点
双极性0.72°;
机座号:60;
保持转矩:0.42~1.3N.M;
输出转矩大,高转速;电机发热小,噪音低,效率高;
高速停止平稳快速,无零速振荡运行平稳,振动噪声小;
响应速度快,适合频繁启停的场合。
技术数据


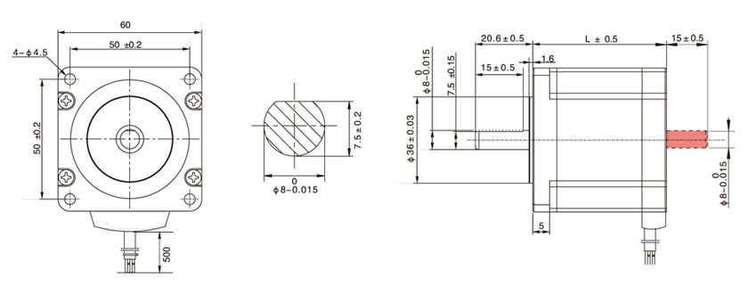
外形尺寸


接线图

A

B

C

D

E

绿


矩频特性曲线图


相关步进电机推荐
直线步进电机相关行业资讯
1、伺服电机编码器信号测量时的注意事项
2、基于MCU和DSP的步进电机控制技术
3、步进电机在使用中具有这些主要的特点
4、分析步进电机的常见启动故障对于用户来说很有必要
5、编码器连接到PLC中使用
6、步进电机的外表温度允许达到多少?
7、齿条传动伺服电子齿轮比的算法
8、步进电机51单片机驱动步进电机的方法
9、旋转编码器的零位
10、振合公司参加高交会,取得圆满成功
11、东元伺服驱动器增益参数的调整方法
12、振合电机全新推出微型滑动丝杆系列
13、电动滑台的分类:同步带式和滚珠螺杆式
14、这些安全职责是员工在步进电机生产中所具备的<
15、伺服电机速度的给定问题