行星减速机系列
命名规则配无刷行星减速机配步进行星减速机配伺服行星减速机
你现在所在的位置:网站首页 > 产品中心 > 行星减速机系列 > 配伺服行星减速机 > 130mm系列高精密减速机
行星减速机系列-步进电机供应商振合机电

130mm系列高精密减速机

产品名称:130mm行星减速机
产品类别:配伺服行星减速机
产品型号:ZH130MG10A25A
产品下载:130mm行星减速机(配伺服)
产品简介:振合机电130mm系列高精密型减速机,均采用国际标准钢材,用20CvMnT渗碳淬火和磨齿,体积小巧,重量轻,输出扭矩大。回程间隙小,钢性好,承载能力强。传动效率高,转动比范围广,精度高。噪声低,寿命长。安装方便、外形美观。保证精密传动的前提下完美运用在降低转速增大扭矩和降低负载/电机的转动惯量比的使用场合.
产品详情

特点
体积小巧,重量轻,输出扭矩大。
回程间隙小,钢性好,承载能力强。
传动效率高,转动比范围广,精度高。
噪声低,寿命长。
安装方便、外形美观。
保证精密传动的前提下完美运用在降低转速增大扭矩和降低负载/电机的转动惯量比的使用场合。
应用领域
振合机电行星减速系列产品目前已广泛应用于雕刻机、激光机、数控机床、纺织服装机械、医疗设备、测量设备、电子加工设备、包装机械设备等需要降低转速增大扭矩和降低负载/电机的转动惯量比的各种自动化设备和仪器上。
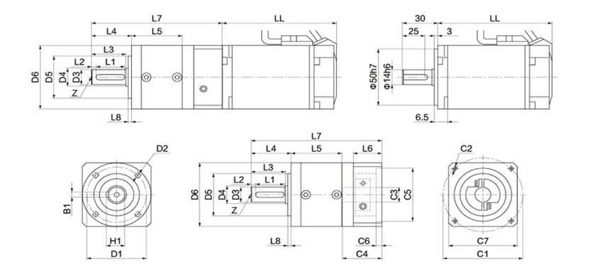
减速机标准外形尺寸


减速机数据


外形尺寸

相关步进电机推荐
直线步进电机相关行业资讯
1、直线步进电机成功应用于自动生化分析仪
2、应用步进电机五个事项用户要注意
3、振合步进电机主要运用在哪些工控设备场合?
4、步进电机在使用过程中能够有很好的节能效果
5、步进步进电机,步进电机的专业术语
6、保养维护在步进电机使用中的重要性
7、使用步进电机要控制好电机的外表温度
8、CNC可编程步进电机控制器概述及技术指标
9、步进步进电机使驱动装置灵活方便
10、自动化行业直线模组哪个品牌好
11、振合步进电机控制系统结构
12、二相和五相步进电机有何区别,如何选择?
13、影响齿轮减速电机寿命的因素有哪些?
14、什么是伺服系统?伺服系统的组成和基础知识问答
15、发电设备产量降幅收窄 风力发电机降幅最明显