行星减速机系列
命名规则配无刷行星减速机配步进行星减速机配伺服行星减速机
你现在所在的位置:网站首页 > 产品中心 > 行星减速机系列 > 配伺服行星减速机 > 80mm系列高精密减速机
行星减速机系列-步进电机供应商振合机电

80mm系列高精密减速机

产品名称:80mm行星减速机
产品类别:配伺服行星减速机
产品型号:ZH80MG10A25A
产品下载:80mm行星减速机(配伺服)
产品简介:振合机电80mm系列高精密型减速机,均采用国际标准钢材,用20CvMnT渗碳淬火和磨齿,体积小巧,重量轻,输出扭矩大。回程间隙小,钢性好,承载能力强。传动效率高,转动比范围广,精度高。噪声低,寿命长。安装方便、外形美观。保证精密传动的前提下完美运用在降低转速增大扭矩和降低负载/电机的转动惯量比的使用场合.
产品详情

特点
体积小巧,重量轻,输出扭矩大。
回程间隙小,钢性好,承载能力强。
传动效率高,转动比范围广,精度高。
噪声低,寿命长。
安装方便、外形美观。
保证精密传动的前提下完美运用在降低转速增大扭矩和降低负载/电机的转动惯量比的使用场合。
应用领域
振合机电行星减速系列产品目前已广泛应用于雕刻机、激光机、数控机床、纺织服装机械、医疗设备、测量设备、电子加工设备、包装机械设备等需要降低转速增大扭矩和降低负载/电机的转动惯量比的各种自动化设备和仪器上。
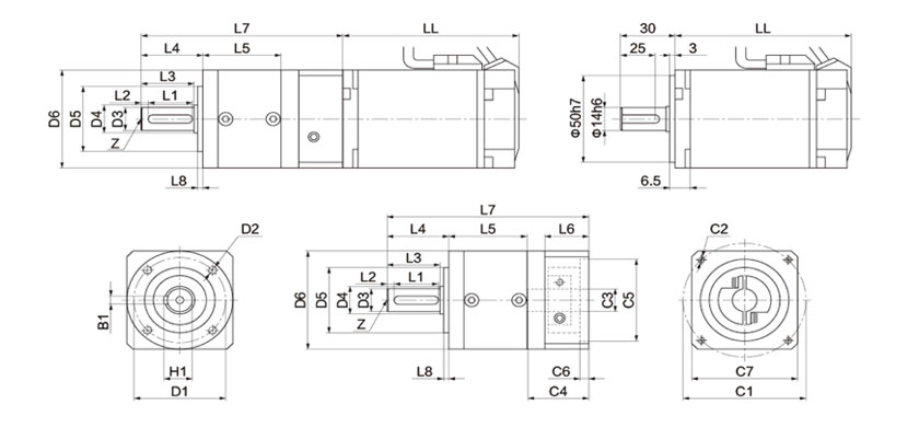
减速机标准外形尺寸


减速机数据


外形尺寸

相关步进电机推荐
直线步进电机相关行业资讯
1、振合电机继续助力中国运动控制市场的爆发
2、步进电机选型及机床设计
3、厂家在发展中为什么要重视步进电机的质量
4、步进电机重要的技术参数
5、要确保购买的步进电机功能好且应用起来十分安全
6、步进电机的轴承磨损严重的时候要及时更换
7、电磁弹射器技术篇之------直线电机
8、数控摇臂钻床使用步进电机的工作原理
9、选购步进电机要注意看参数和结构
10、合理的护理能让直线轴承性能更加优秀
11、步进电机的外表温度允许达到多少?
12、振合电机最新推出带IDEA驱动器的BGS06直线导轨
13、直线电机的广泛应用领域
14、公司召开2006年度供应商大会
15、联轴器的品种分类和作用分析