行星减速机系列
命名规则配无刷行星减速机配步进行星减速机配伺服行星减速机
你现在所在的位置:网站首页 > 产品中心 > 行星减速机系列 > 配伺服行星减速机 > 60mm系列高精密减速机
行星减速机系列-步进电机供应商振合机电

60mm系列高精密减速机

产品名称:60mm行星减速机
产品类别:配伺服行星减速机
产品型号:ZH60MG10A17A
产品下载:60mm行星减速机(配伺服)
产品简介:振合机电60mm系列高精密型减速机,均采用国际标准钢材,用20CvMnT渗碳淬火和磨齿,体积小巧,重量轻,输出扭矩大。回程间隙小,钢性好,承载能力强。传动效率高,转动比范围广,精度高。噪声低,寿命长。安装方便、外形美观。保证精密传动的前提下完美运用在降低转速增大扭矩和降低负载/电机的转动惯量比的使用场合.
产品详情

特点
体积小巧,重量轻,输出扭矩大。
回程间隙小,钢性好,承载能力强。
传动效率高,转动比范围广,精度高。
噪声低,寿命长。
安装方便、外形美观。
保证精密传动的前提下完美运用在降低转速增大扭矩和降低负载/电机的转动惯量比的使用场合。
应用领域
振合机电行星减速系列产品目前已广泛应用于雕刻机、激光机、数控机床、纺织服装机械、医疗设备、测量设备、电子加工设备、包装机械设备等需要降低转速增大扭矩和降低负载/电机的转动惯量比的各种自动化设备和仪器上。

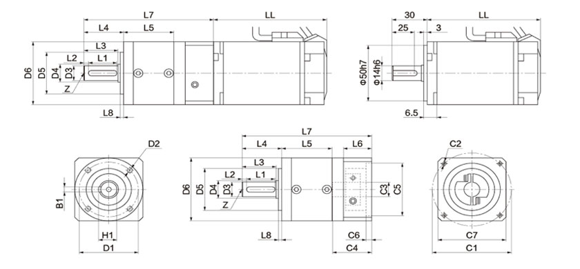
减速机标准外形尺寸


减速机数据


外形尺寸

相关步进电机推荐
直线步进电机相关行业资讯
1、步进电机广泛应用在各种自动化控制系统和精密机械
2、步进电机在点胶机应用中的优点
3、步进步进电机实现效绣花机的高速高效
4、步进电机常用控制方式之PLC常用程序设计语言
5、步进步进电机的发展趋势
6、金九银十,振合电机继续引领步进电机行业先锋
7、驱动器的脱机信号FREE一般在什么情况下使用?
8、伺服系统的基本结构形式
9、步进电动机的控制与驱动
10、步进伺服电机使用事项
11、PLC为上位机的伺服驱动位置控制系统
12、一台伺服驱动器如何能够分别单独驱动多台伺服电机
13、伺服电机低转速扭矩输出
14、步进电机运转不正常的原因检查
15、三相混合式步进电机与驱动器的干扰解决方法