行星减速机系列
命名规则配无刷行星减速机配步进行星减速机配伺服行星减速机
你现在所在的位置:网站首页 > 产品中心 > 行星减速机系列 > 配步进行星减速机 > 57mm-2系列行星减速机
行星减速机系列-步进电机供应商振合机电

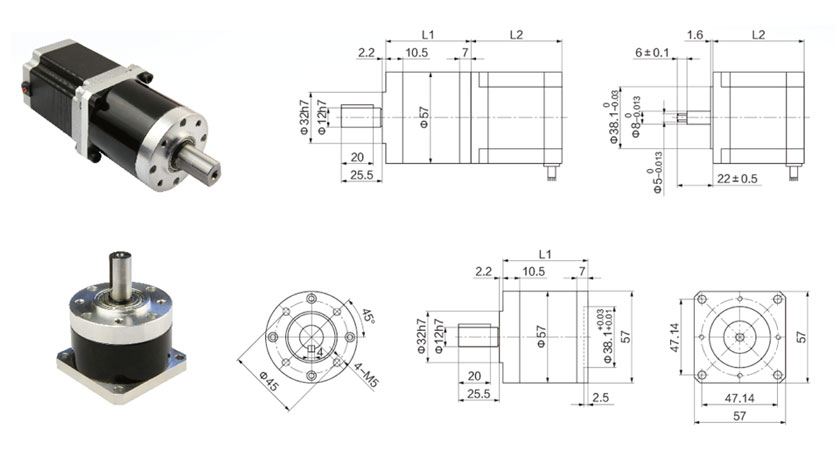
57mm-2系列行星减速机

产品名称:57mm-2行星减速机
产品类别:配步进行星减速机
产品型号:ZH57PG14A14A、ZH57PG14A10B、ZH57PG16A14A
产品下载:57mm-2行星减速机(配步进)
产品简介:振合机电57mm系列加强传动型减速机,均采用国际标准钢材,用20CvMnT渗碳淬火和磨齿,体积小巧,重量轻,输出扭矩大。回程间隙小,钢性好,承载能力强。传动效率高,转动比范围广,精度高。噪声低,寿命长。安装方便、外形美观。保证精密传动的前提下完美运用在降低转速增大扭矩和降低负载/电机的转动惯量比的使用场合.
产品详情

特点
体积小巧,重量轻,输出扭矩大。
回程间隙小,钢性好,承载能力强。
传动效率高,转动比范围广,精度高。
噪声低,寿命长。
安装方便、外形美观。
保证精密传动的前提下完美运用在降低转速增大扭矩和降低负载/电机的转动惯量比的使用场合。
应用领域
振合机电行星减速系列产品目前已广泛应用于雕刻机、激光机、数控机床、纺织服装机械、医疗设备、测量设备、电子加工设备、包装机械设备等需要降低转速增大扭矩和降低负载/电机的转动惯量比的各种自动化设备和仪器上。
减速机数据


外形尺寸

相关步进电机推荐
直线步进电机相关行业资讯
1、丝杆步进电机要美观还是实用
2、伺服系统必须采用高精度的测量元件
3、振合机电微型丝杆新应用-胰岛素泵
4、步进电机在运输上需要注意哪些
5、步进步进电机:步进电机和交流步进电机的区别
6、步进电机的常见故障及原因分析
7、步进步进电机性能浅谈
8、这样做可以提高步进电机使用的安全性
9、新产品速递:MOONS智能化传感器
10、直线步进电机在3D打印机上的应用
11、这些问题是工作人员在步进电机生产中需注意的
12、关于深圳步进电机的冷却方法您知道吗?
13、电机系统智能化发展成为必要趋势
14、这样购买步进电机的话才能购买到满意的设备
15、振合电机为您揭秘步进电机不转动的原因和解决方法!