特点
32位DSP数字处理技术
低振动,低噪声,运行平稳
内置高细分和平滑滤波功能
上电自动适应电机参数功能
变电流技术使电机和驱动器低发热
静止时电流自动减半功能
可驱动4,6,8线两相步进电机
光电隔离差分信号输入(脉冲,方向和使能)
脉冲响应频率为200KHz(最高为500KHz)
电流设定方便,可在0.1-5.6A(峰值)之间任意选择
细分设定范围为200-51200
具有过压、欠压、过流等保护功能
应用领域
适合各种中小型自动化设备和仪器,例如:雕刻机、打标机、切割机、医疗设备、激光照排、绘图仪、数控机床、自动装配设备等。在用户期望低噪声、低振动,低发热和高速度的设备中应用效果特佳。
概述 ZHYT57是振合机电有限公司新推出的数字式一体步进驱动器,驱动器采用32位DSP数字处理技术,变电流技术,低发热技术等技术设计完成,具有低振动,运行平稳,低发热,高可靠性等优点。用户可以通过串口设置驱动器200~25600内的任意细分和额定电流内的任意电流值输出,能够满足大多数场合的应用需要。由于采用内置微细分技术,即使在低细分的条件下,也能够达到高细分的效果,低中高速运行都很平稳,噪音超小。驱动器内部集成了上电自动适应电机的功能,能够针对不同电机自动生成最优运行参数,最大限度发挥电机的性能。
产品规格

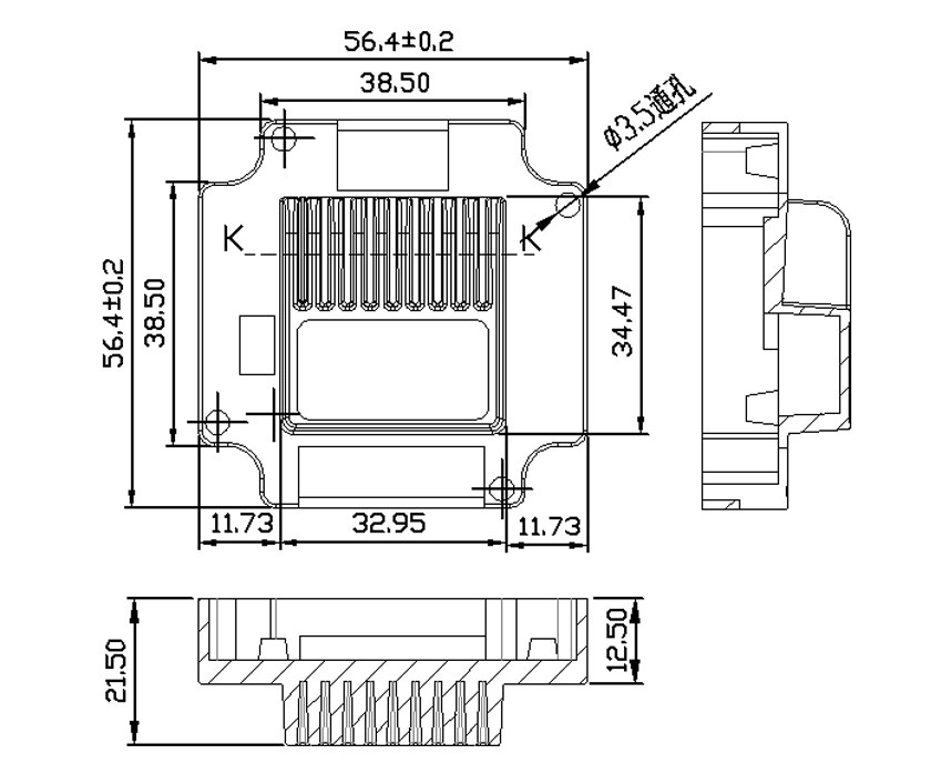
外形尺寸



注意事项:
当输入电压高于56VDC时,驱动器会停止工作。此时必须排除故障,重新上电复位。
当输入电压低于10VDC时,驱动器会停止工作。此时必须排除故障,重新上电复位。
当发生过流时,驱动器会停止工作。此时必须排除故障,重新上电复位。
由于驱动器不具备电源正负极反接保护功能,因此,上电前请再次确认电源正负极接线正确。正负极接反将导致烧坏驱动器中的保险管!