特性
防水、防尘性,防护等级最高可达IP68
符合IEC规格的IP64、IP65,可于溅水环境中使用。最高可达IP68,侵入在1米深水中,仍然可正常工作。
IP64 防护喷水,从每个方向对准柜体的喷水都不应引起损害。
IP65 防护射水,从每个方向对准柜体的射水都不应引起损害。
IP68 防护长期浸水,可以在特定的条件下浸入水中,不应有能引起损害的水量浸入。
增强耐腐蚀性
通过采用特殊涂层及轴材质采用不锈钢等措施,增强了耐腐蚀性能。
支持防水、防尘的设计和结构
电机外表部件(前、后端盖及外壳)采用无缝隙的结构,电机电缆线直接从电机后端盖引出
电机外表各部件的结合面(前、后端盖于外壳的结合面,接线端口与接线端的结合面,紧固螺栓与螺栓孔的结合面,电机轴与轴孔的结合面)之间设有密封机构。
应用领域
深圳振合机电防水步进电机目前广泛用于雕刻机、激光机、数控机床、纺织服装机械、医疗设备、测量设备、电子加工设备、包装机械设备等各种自动化设备和仪器上。
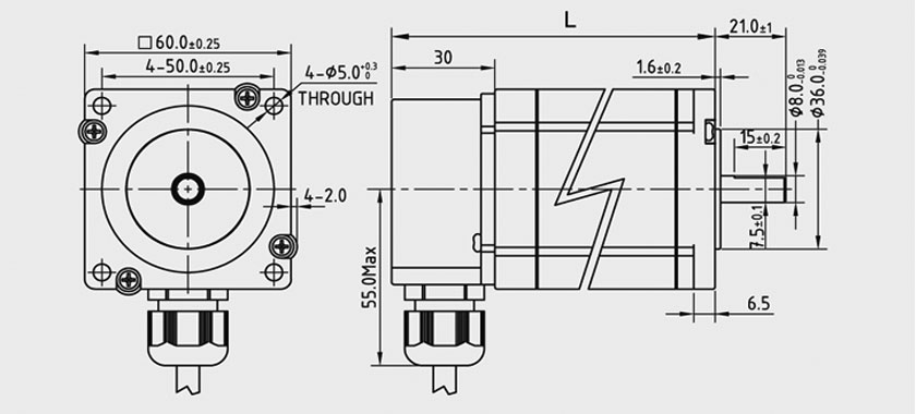
产品规格

外形尺寸
