步进电机系列
两相步进电机三相步进电机五相步进电机刹车步进电机防水步进电机
你现在所在的位置:网站首页 > 产品中心 > 步进电机系列 > 刹车步进电机 > 57mm刹车步进电机
步进电机系列-步进电机供应商振合机电

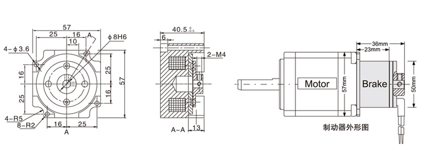
57mm刹车步进电机

产品名称:57刹车步进电机
产品类别:刹车步进电机
产品型号:ZH57HB4142S、ZH57HB5640S、ZH57HB6640S、ZH57HB7642S、ZH57HB10050S
产品下载:57刹车步进电机
产品简介:电磁制动,又名刹车、报闸、制动器,当电机断电时刹车系统瞬间启动,把电机轴牢牢锁死,阻止设备因断电,使电机因工作负载自然下滑或外力水平移动,以保持工作停止原位状态,通电后及时松开不影响电机正常工作。
产品详情

特点
57刹车步进电机,步进、伺服电机专用制动器:
1、失电制动,掉电保护电机及设备的安全;
2、反应时间是普通弹簧压紧电磁制动器的1/10;
3、体积小,保持扭力大,并可线性调节;
4、完全实现高速零损耗静音运行,超长寿命表现;
5、功耗小,热平衡温度低;
6、使用中无需高速气隙,任意角度实现均衡制动;
7、大温度范围内提供稳定的制动扭矩;
8、外形订制,可与电机紧密配成一体;
9、高精度定位步进电机、伺服电机,特别是Z轴运动系统的首选制动单元。
产品规格


外形尺寸


刹车矩频特性

相关步进电机推荐
直线步进电机相关行业资讯
1、振合电机推出带新型安装盘的G4-37000电机
2、广东注重电机(微电机 减速电机 直流电机)节能保持绿色发展
3、消费者在使用步进电机的时候能够实现环保目标
4、步进电机的运行有哪些不同的方式
5、步进电机驱动器的电流细分驱动
6、进给伺服系统的常见故障诊断
7、步进电机在工作时出现的问题及解决方法
8、步进电机在升降频过程产生脉冲的2种方法
9、MD-2522步进电机驱动器连接电机的安装使用
10、用户需要掌握的步进电机常用检修方法
11、日本振合 (SAMSR)步进电机的工作原理
12、介绍一下步进电机至关重要的相关组成部件
13、28滑动丝杆电机的技术工艺分析
14、从产业特点出发,备战竞争
15、步进电机的基本参数定义