步进电机系列
两相步进电机三相步进电机五相步进电机刹车步进电机防水步进电机
你现在所在的位置:网站首页 > 产品中心 > 步进电机系列 > 刹车步进电机 > 42mm刹车步进电机
步进电机系列-步进电机供应商振合机电

42mm刹车步进电机

产品名称:42刹车步进电机
产品类别:刹车步进电机
产品型号:ZH42HB3412S、ZH42HB4017S、ZH42HB4820S
产品下载:42刹车步进电机
产品简介:电磁制动,又名刹车、报闸、制动器,当电机断电时刹车系统瞬间启动,把电机轴牢牢锁死,阻止设备因断电,使电机因工作负载自然下滑或外力水平移动,以保持工作停止原位状态,通电后及时松开不影响电机正常工作。

产品详情

特点
42刹车步进电机,步进、伺服电机专用制动器:
1、失电制动,掉电保护电机及设备的安全;
2、反应时间是普通弹簧压紧电磁制动器的1/10;
3、体积小,保持扭力大,并可线性调节;
4、完全实现高速零损耗静音运行,超长寿命表现;
5、功耗小,热平衡温度低;
6、使用中无需高速气隙,任意角度实现均衡制动;
7、大温度范围内提供稳定的制动扭矩;
8、外形订制,可与电机紧密配成一体;
9、高精度定位步进电机、伺服电机,特别是Z轴运动系统的首选制动单元。
产品规格


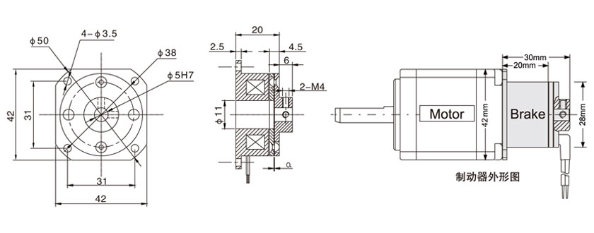
外形尺寸


刹车矩频特性

相关步进电机推荐
直线步进电机相关行业资讯
1、霍尔传感器在直线步进电机中的应用
2、步进电机具体是如何运行的
3、在步进电机的启动方面需要用户注意的问题
4、应该尽量选择多个方面水平都比较高的步进电机
5、伺服驱动器的高速脉冲指令输入
6、简述如何通过驱动器控制步进电机运转
7、步进电机在使用中具有这些主要的特点
8、步进电机PLC控制步进电机分度的设计
9、振合步进简述如何检查工作不正常的步进电机
10、介绍一下步进电机至关重要的相关组成部件
11、步进电机在运行方面呈现出来的两个特点
12、数控雕刻机步进电机选型的四大注意事项
13、节能电机市场的趋势
14、步进电机的特点介绍
15、步进电机驱动电路的基本原理作用