步进电机系列
两相步进电机三相步进电机五相步进电机刹车步进电机防水步进电机
你现在所在的位置:网站首页 > 产品中心 > 步进电机系列 > 刹车步进电机 > 28mm刹车步进电机
步进电机系列-步进电机供应商振合机电

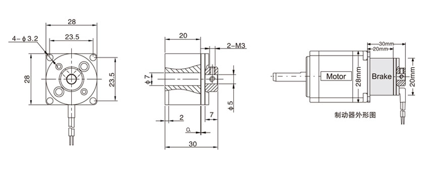
28mm刹车步进电机

产品名称:28刹车步进电机
产品类别:刹车步进电机
产品型号:ZH28HB4013S、ZH28HB5113S
产品下载:28刹车步进电机
产品简介:电磁制动,又名刹车、报闸、制动器,当电机断电时刹车系统瞬间启动,把电机轴牢牢锁死,阻止设备因断电,使电机因工作负载自然下滑或外力水平移动,以保持工作停止原位状态,通电后及时松开不影响电机正常工作。
产品详情

特点
28刹车步进电机,步进、伺服电机专用制动器:
1、失电制动,掉电保护电机及设备的安全;
2、反应时间是普通弹簧压紧电磁制动器的1/10;
3、体积小,保持扭力大,并可线性调节;
4、完全实现高速零损耗静音运行,超长寿命表现;
5、功耗小,热平衡温度低;
6、使用中无需高速气隙,任意角度实现均衡制动;
7、大温度范围内提供稳定的制动扭矩;
8、外形订制,可与电机紧密配成一体;
9、高精度定位步进电机、伺服电机,特别是Z轴运动系统的首选制动单元。

产品规格


外形尺寸


刹车矩频特性

相关步进电机推荐
直线步进电机相关行业资讯
1、振合机电全新推出贯通轴式的IDEA驱动电机
2、步进定位不准
3、振合步进电机的现状概述及首要疑问回答
4、振合机电推出DCM4826X步进电机驱动器
5、深圳步进电机:减少步进电机发热的方式,您知多少?
6、插入电源时要注意看清步进电机驱动器的正负标示
7、步进电机的加减速过程要短恒速时间要长
8、直流无刷电机与步进电机的区别
9、电机为什么不能用于高原地区?
10、金九银十,振合机电步进电机继续引领步进电机行业先锋
11、了解步进电机的运行方式有那几种
12、步进电机的运动控制系统
13、伺服电动机动力参数确定
14、步进电机小知识
15、振合电机带IDEA智能驱动器的全系列产品