步进电机系列
两相步进电机三相步进电机五相步进电机刹车步进电机防水步进电机
你现在所在的位置:网站首页 > 产品中心 > 步进电机系列 > 两相步进电机 > 20mm两相步进电机
步进电机系列-步进电机供应商振合机电

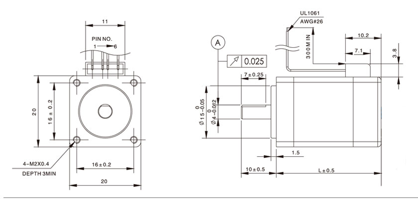
20mm两相步进电机

产品名称:20mm两相步进电机
产品类别:两相步进电机
产品型号:ZH20HB30-0410A、ZH20HB40-0410A
产品下载:20mm两相步进电机
步距精度:5%
最高温度: 80°C Max
环境温度:-20°C~+50°C
绝缘电阻:100MΩ Min 500VDC 
耐压数值:500V AC  1minute

产品详情

特点
双极性1.8°;
机座号:20;
保持转矩:0.020~0.036N.M;
输出转矩大,高转速;电机发热小,噪音低,效率高;
高速停止平稳快速,无零速振荡运行平稳,振动噪声小;
响应速度快,适合频繁启停的场合。
技术数据


外形尺寸


接线图

A+

A-

B+

B-

绿


矩频特性曲线图

相关步进电机推荐
直线步进电机相关行业资讯
1、给大家简要介绍一下步进电机的分类
2、步进电机在运输上如何保证安全
3、丝杆电机的优缺点分析
4、步进电机选型及机床设计
5、热烈庆祝振合机电(振合电机)苏州办事处成立
6、安装步进伺服电机时需谨慎的四大注意事项
7、420E两相数字式步进驱动器
8、步进电机替代步进电机的注意点
9、步进电机对电机行业发展产生的影响
10、步进电机提倡节能低碳稳步发展决胜未来及关键部件的介绍
11、步进电机工作原理说明
12、怎样做才能确保步进电机呈现出极佳的应用效果
13、步进电机的运行要在合适的环境中
14、伺服电机正余弦编码器的相位对齐方式
15、步进电机厂家想要发展需要需要做到哪些